导航
EN
EN
产品中心
彩涂板
镀锌铝镁板
镀铝锌板
镀锌板
冷轧板
关于新宇
公司介绍
发展历程
产业集群
企业文化
资质认证
企业荣誉
生产实力
至新新特
关于至新新特
解决方案
色彩缤纷
自助配色
电子色卡
项目与合作
社会责任
党建引领
新宇动态
人才引进
下载中心
联系我们
首页
产品中心
彩涂板
镀锌铝镁板
镀铝锌板
镀锌板
冷轧板
关于新宇
公司介绍
发展历程
产业集群
企业文化
资质认证
企业荣誉
生产实力
至新新特
关于至新新特
解决方案
色彩缤纷
自助配色
电子色卡
项目与合作
项目案例
合作伙伴
社会责任
爱心公益
员工关怀
党建引领
党建工作
工会工作
新宇动态
人才引进
下载中心
联系我们
首页
/
新宇动态
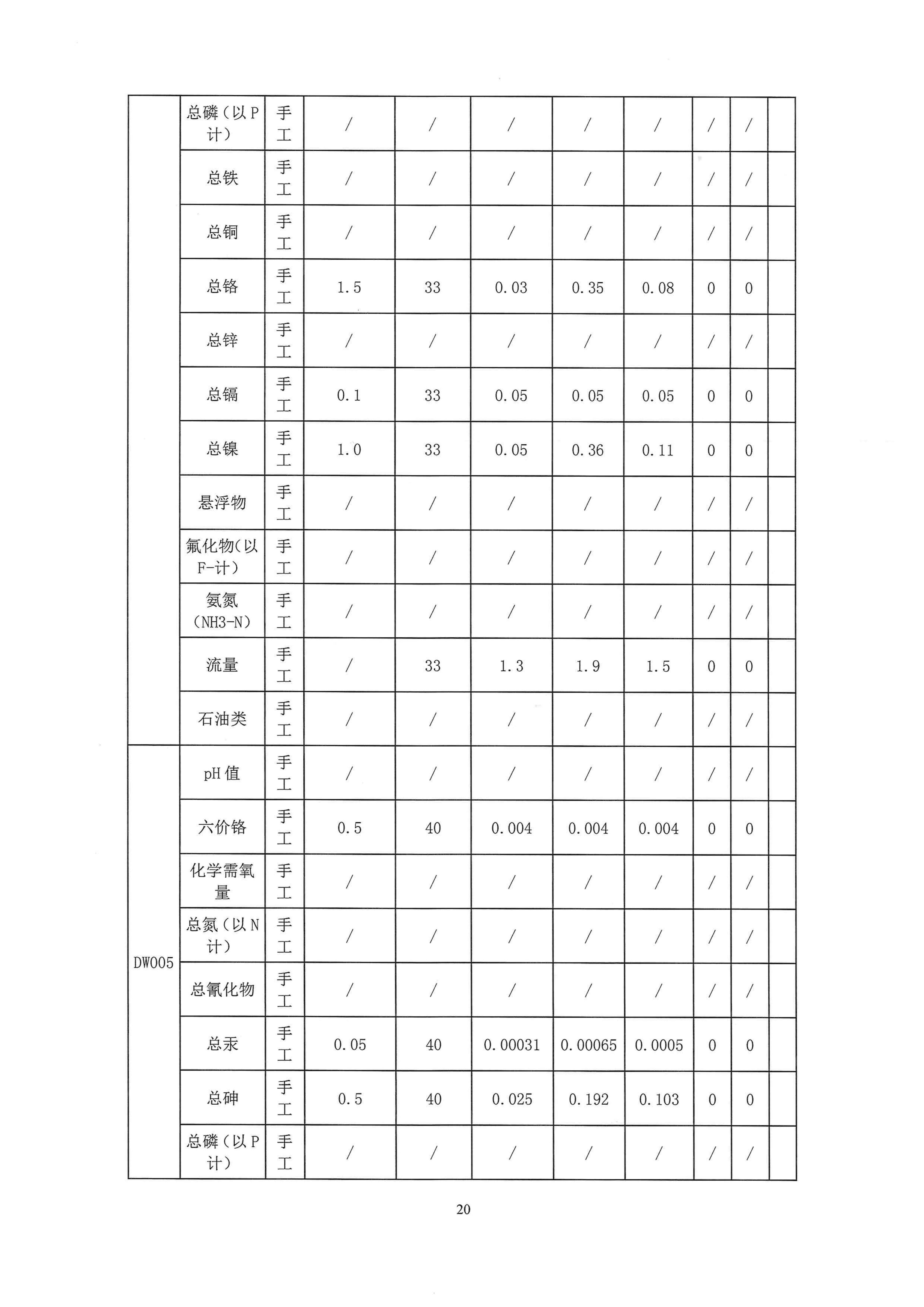
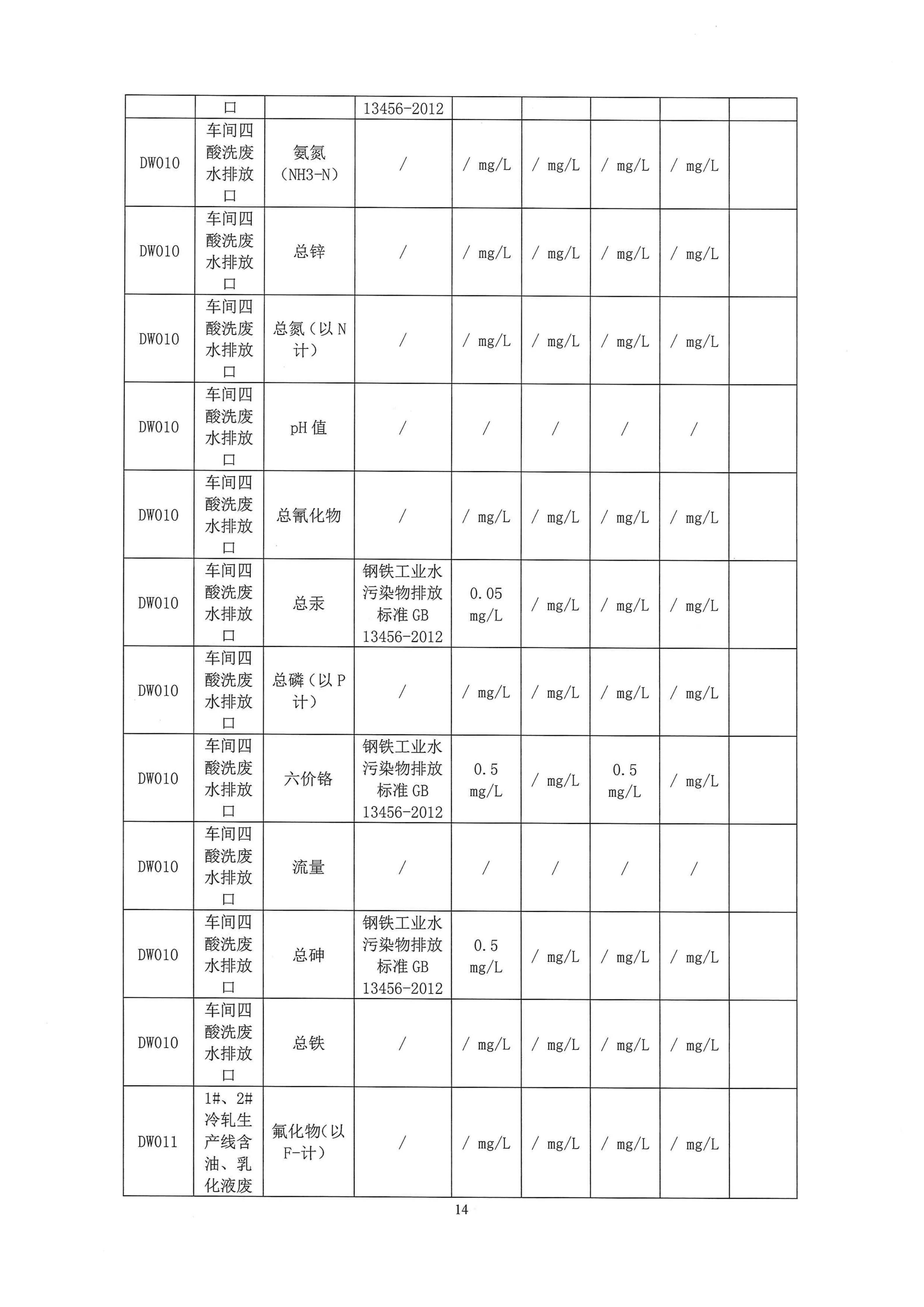
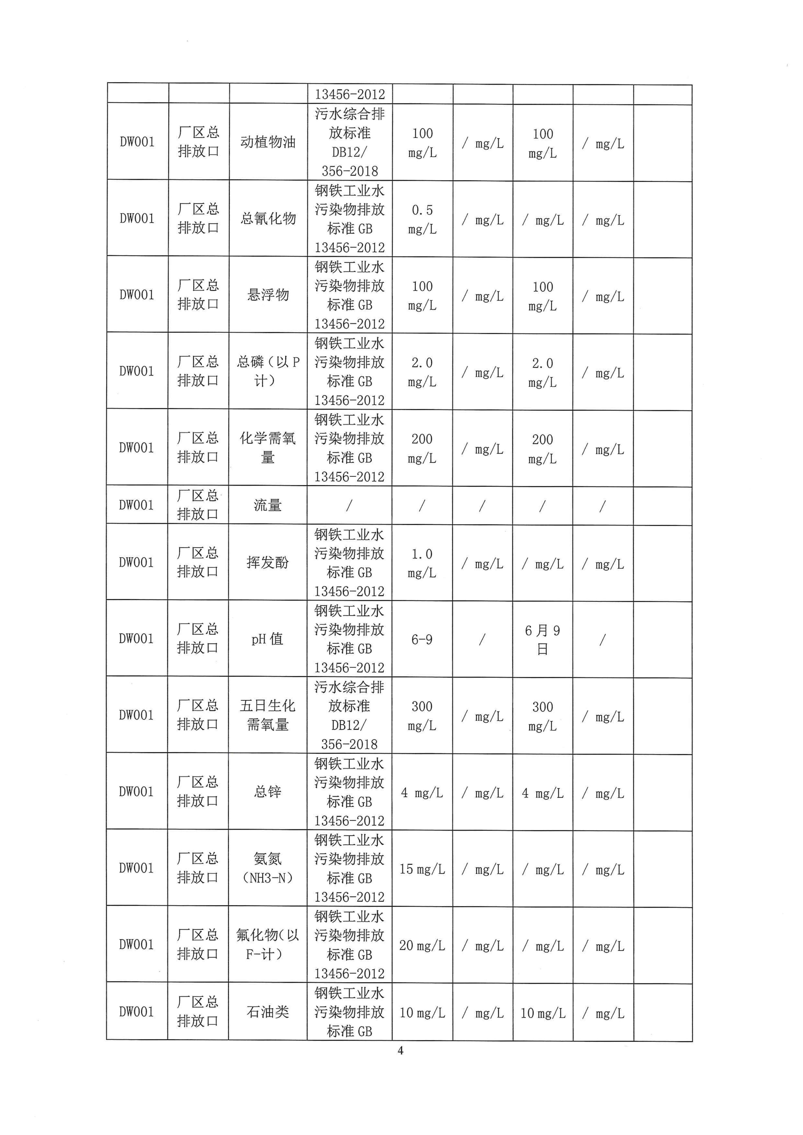
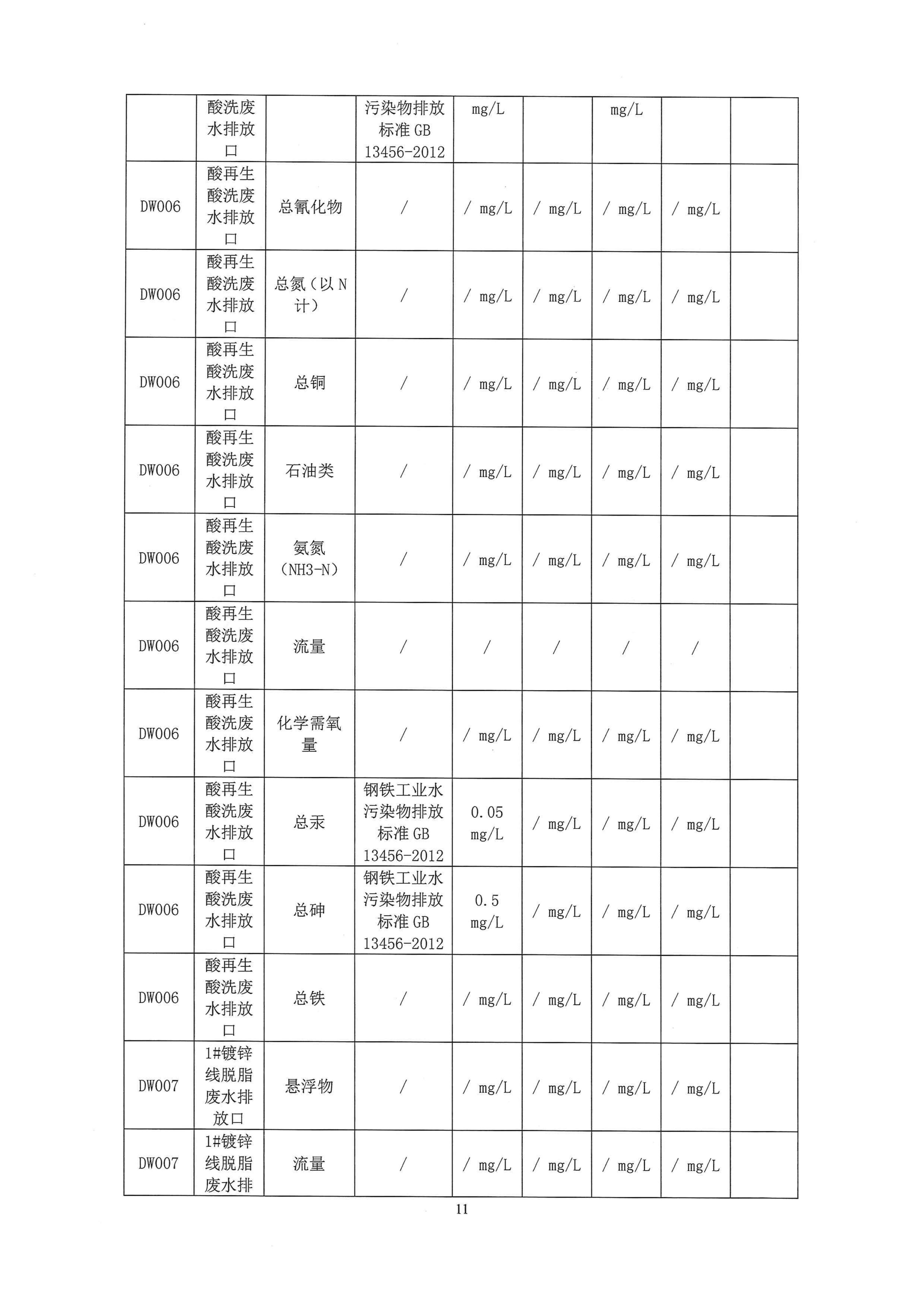
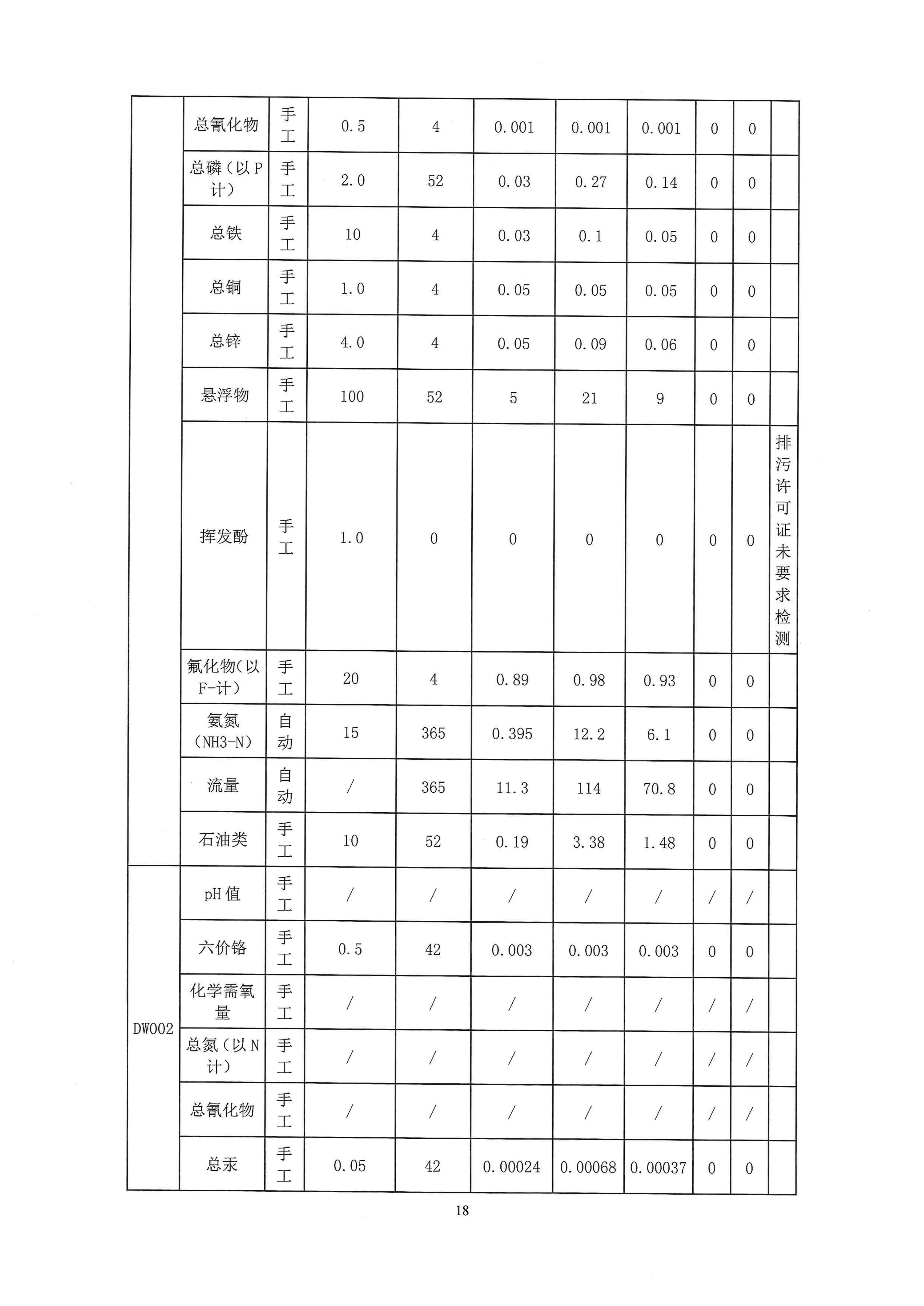
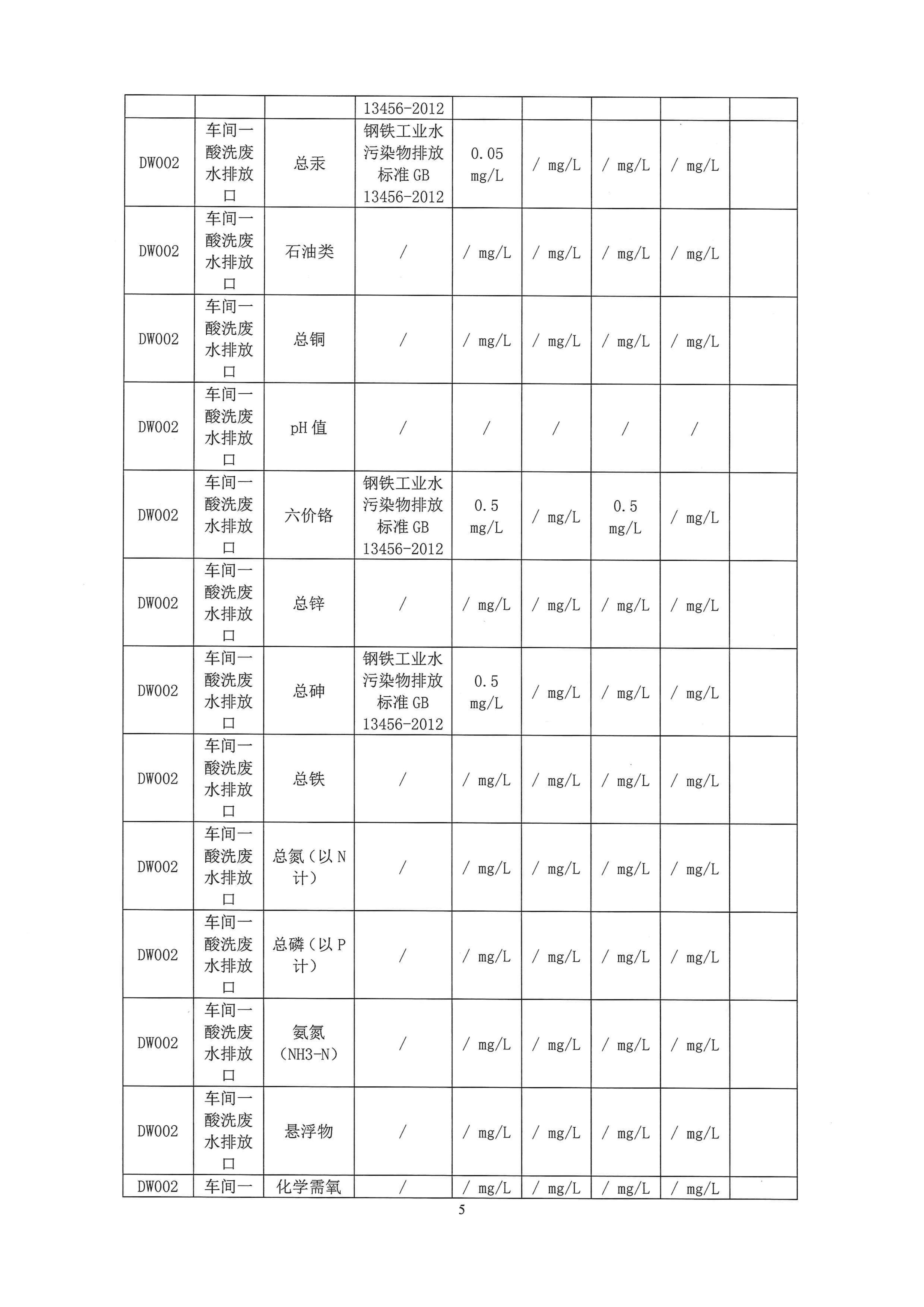
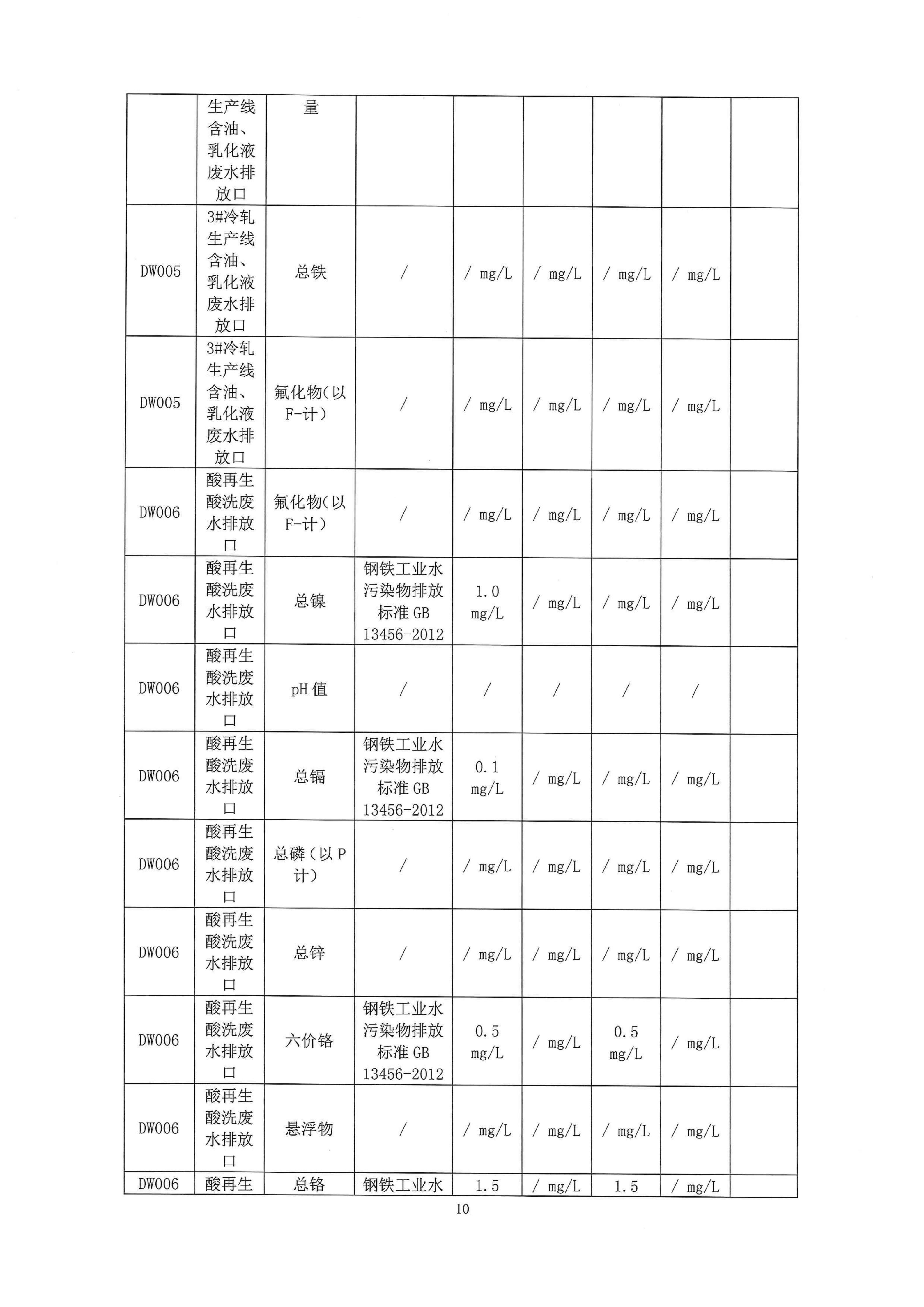
天津市新宇彩板有限公司(一厂)清洁生产环境信息公示
发布时间: 2025.10.27
一厂清审公示材料.pdf
上一篇
返回列表
下一篇
免责声明:本网站所转载的所有文章、文字、图片、音频、视频、图表等,除特别标明外,均来源于网络,版权归版权所有人所有,因非原创文章、文字、图片、音频、视频、图表等内容无法一一和版权者联系,如原作者或编辑认为作品不宜上网供大家浏览,或不应无偿使用,请及时通知我们,以迅速采取适当措施,避免给双方造成不必要的经济损失。本网页如无意中侵犯了媒体或个人的知识产权,请来电告之立即予以删除。
Copyright © 2025 天津市新宇彩板有限公司 All Rights Reserved
津ICP备19001776号-1
隐私保护
法律声明